"ELEKTOR", revue N° 385/386, juillet/août 2010.
Copyright - [Précédente] [Première page] [Suivante] - Home
Fiche : [REVUE828]
Titre : ELEKTOR, revue N° 385/386, juillet/août 2010.
Cité dans : [DIV014] Liste des articles et des revues ELEKTOR, août 2023.
Stockage : Thierry LEQUEU & IUT GEII
Date : juillet/août 2010
Numéro : 385/386
Site : http://www.elektor.fr
Lien : private/REVUE828.pdf - 55 556 ko, 98 pages.
Vers : Sommaire

Vers : Borne de recharge pour véhicules électriques
Générateur pour horlogerie
Source de bruit HF simple
Multiprise obéissante
Testeur de quartz
Vers : Enregistreur de température pour réfrigérateur
Position de dérive
Alimentation flottante 5 V pour module DVM
Préampli télécommandé avec potentiomètre numérique
Booster d'alarme de voiture
Feu de manœuvre pour locomotives avec décodeur numérique
Entrées de ligne pour Zoom H2
Lien_DTMF 8 canaux : encodeur
Indicateur pour limiteur de dynamique
Lien_DTMF 8 canaux : décodeur
Vite mesuré, vite contrôlé
Commande de la lumière extérieure
Gravure de faces avant avec film pour tapis de souris
Testeur de câbles RJ-45 à PIC
Thermomètre avec affichage LED à 4 chiffres
Vers : Emetteur et récepteur pour alarme sans fil
Mini Sixties Plus
Économiseur d'énergie
Chargeur solaire/moniteur
Faire la face avant
Vers : Circuit de charge L200
Mélangeur en quadrature pour récepteur à MA
Vers : Klaxon musical pour VTT
Testeur de magnéto
Surveillance de tension
Testeur universel de télécommande IR
Montre à quartz en générateur d’impulsions
Vers : Voltmètre secteur
Vers : Source de courant simplifiée pour LED
Temporisateur universel sans courant de veille
Minute-tiny
Interrupteur de salle de bain étanche
Générateur MLI universel
Interrupteur secteur 0/1 économique
Trous métallisés vite réalisés
Caractériser les moteurs pas à pas
Zappeur pour électrothérapie
Sextuple commutateur
Vers : Logiciel de dessin de cadrans
PIC/C ou VHDL/FPGA pour RFM12 TX/RX
Horloge binaire
Tiny-Pulser
Commande à distance de périphériques en réseau
Vers : La radio DSP d’Elektor
Récepteur mondial en DSP avec USB
Hexadocube 2010
Vers : Surveillant de batterie de voilier
Des accus au top à tout moment
Démarrage forcé pour PC
Booster pour autoradio
Adaptateur RIAA inverse
Récepteur d’impulsions
Indicateur de courant secteur
Pompe vide cave à 12 V
Vers : Carte d’évaluation pour MC9S08DZ60
Piège à souris cinq étoiles
Pendule de modéliste
Vers : Gradateur à touches à effleurement
Générateur de test THF miniature
Astrolampe
Vobulateur pour XR2206
ATM18-DIP
Régulateur sobre sans puce
Clé électronique analogique
Adaptateur CMS maison
Vers : Lampe de bicyclette LED sous un jour nouveau
Limiteur de dynamique
Chauve-souris (récepteur)
Feux clignotants pour avions et hélicoptères
Vers : Plaque à bandes chauffante !
Alarme niveau d'eau
Ventilateur 3 broches sur connecteur 4 broches
Expérience avec un portable
Vers : Microthermomètre minimal
Compresseur pour guitare
Pyramide 3D de LED
Mini-alarme de vélo
Vers : Coupleur de phases pour réseau CPL ou X10
Vers : Roue codeuse numérique
Vers : Protection de décharge profonde pour batteries 12 V
Jouez avec Simon
Alimentation basse tension réglable
Sonde de niveau de carburant
Ajustage de quartz
Entraîneur électronique
Vers : Arrêt d’urgence
Éclairage pour voitures RC
Vers : Lucioles RVB Synchronisées
Testeur de câblage réseau
Vers : Câble série USB-TTL, extension & supplément
Chauffe-tubes
Régulateur de chauffage par le sol
Vers : Scopitexte
Vers : Inclinomètre avec USB
Vers : Pile 9 V virtuelle
Vers : Alim de labo pour PC
Flash multiple vert/rouge
Ampli pour micro à électret
Testeur de LED
Loupe de tension différentielle
Filtre à quartz réglable
Vers : Feu arrière automatique
Vers : Pilote de LED avec LM3410
Lien : private/Revue828-p012.jpg - image, 914 Ko.
Site : http://www.rittal.fr
[1] : [DIV126] T. LEQUEU, Librairie des fichiers PDF de composants, décembre 2025.

Lien : private/Revue828-p015.jpg - image, 580 Ko.
Lien : private/Revue828-p016.jpg - image, 611 Ko.
Site : http://www.maxim-ic.com/products/ibutton
[1] : [DIV126] T. LEQUEU, Librairie des fichiers PDF de composants, décembre 2025.

Lien : private/Revue828-p030.jpg - image, 635 Ko.
Lien : private/Revue828-p031.jpg - image, 558 Ko.
Lien : MC145026.pdf - 20 pages, 685 Ko, Freescale Semiconductor, MC145026, MC145027, MC145028, Encoder and Decoder Pairs CMOS.
Site : http://www.freescale.com/files/rf_if/doc/data_sheet/MC145026.pdf
Site : http://www.freescale.com/
Site : http://www.elektor.fr/081172
[1] : [DIV126] T. LEQUEU, Librairie des fichiers PDF de composants, décembre 2025.
Lien : private/Revue828-p036.jpg - image, 738 Ko.
Lien : L200.pdf - 12 pages, 182 Ko, L200, ADJUSTABLE VOLTAGE AND CURRENT REGULATOR.
[1] : [DIV126] T. LEQUEU, Librairie des fichiers PDF de composants, décembre 2025.

Lien : private/Revue828-p037.jpg - image, 615 Ko.
Lien : private/Revue828-p038.jpg - image, 598 Ko.
[1] : [DIV126] T. LEQUEU, Librairie des fichiers PDF de composants, décembre 2025.

Lien : private/Revue828-p040.jpg - image, 1241 Ko.
Lien : private/Revue828-p041.jpg - image, 639 Ko.
[1] : [DIV126] T. LEQUEU, Librairie des fichiers PDF de composants, décembre 2025.

Lien : private/Revue828-p041.jpg - image, 639 Ko.
Lien : BSS101.pdf - 7 pages, 88 Ko, SIPMOS(R), Small-Signal Transistor, N channel, Enhancement mode, Logic Level, VGS(th) = 0.8...2.0V.
Lien : BC547.pdf - 8 pages, 54 Ko, BC546, BC547, NPN general purpose transistors, 1999 Apr 15.
[1] : [DIV126] T. LEQUEU, Librairie des fichiers PDF de composants, décembre 2025.

Lien : private/Revue828-p049.jpg - image, 703 Ko.
Lien : private/Revue828-p050.jpg - image, 605 Ko.
Site : http://www.radioamateur.org/download/
[1] : [DIV126] T. LEQUEU, Librairie des fichiers PDF de composants, décembre 2025.

Lien : private/Revue828-p056.jpg - image, 400 Ko.
Lien : FT232R.pdf - 43 pages, 752 Ko, The FT232R is a USB to serial UART interface with advanced features.
Site : http://www.ftdichip.com - FTDI, Future Technology Devices International Ltd.
Lien : Elektor/pl0503.htm - Elektor mai 2003 - Interface USB –> RS-232
[1] : [REVUE832] ELEKTOR, revue N° 299, mai 2003.
[2] : [DIV126] T. LEQUEU, Librairie des fichiers PDF de composants, décembre 2025.

Lien : private/Revue828-p062.jpg - image, 642 Ko.
Lien : private/Revue828-p063.jpg - image, 635 Ko.
Lien : BQ2018.pdf - 24 pages, 350 Ko, bq2018, Power Minder™ IC, SLUS003, JUNE 1999.
[1] : [DIV126] T. LEQUEU, Librairie des fichiers PDF de composants, décembre 2025.

Lien : private/Revue828-p068.jpg - image, 425 Ko.
Lien : private/Revue828-p069.jpg - image, 552 Ko.
Site : http://www.freescale.com/
[1] : http://www.elektor.fr/090526
[2] : http://forums.freescale.com/freescale/
[3] : http://www.68hc08.net
[4] : http://myfreescalewebpage.free.fr/
Lien : http://shops.eccn.com/freescale/PDFDoc/MC9S08DZ60ACLH.pdf
Lien : MC9S08DZ60ACLH.pdf - 416 pages, 4311 Ko, HCS08 Microcontrollers, MC9S08DZ60, MC9S08DZ48, MC9S08DZ32, MC9S08DZ16.
Lien : MAX3050.pdf - 12 pages, 361 Ko, MAX3050, MAX3057, +/-80V Fault-Protected, 2Mbps, Low Supply Current CAN Transceivers
Lien : MAX232.pdf - 36 pages, 443 Ko, MAX220, MAX22x, MAX230, MAX23x, MAX240, MAX24x, MAX249, +5V-Powered, Multichannel RS-232 Drivers/Receivers.
Lien : PTH08080W.pdf - 17 pages, 530 Ko, PTH08080W, SLTS235C, FEBRUARY 2008, 2.25A, WIDE-INPUT ADJUSTABLE SWITCHING REGULATOR.
[1] : [DIV126] T. LEQUEU, Librairie des fichiers PDF de composants, décembre 2025.
Lien : private/Revue828-p073.jpg - image, 642 Ko.
Lien : private/Revue828-p074.jpg - image, 517 Ko.
Lien : LS7534.pdf - pages, 86 Ko, LS7534, LS7535, LS7535FT, DIMMER LIGHT SWITCH WITH UP AND DOWN CONTROLS.
Lien : http://www.lsicsi.com/pdfs/Data_Sheets/LS7534_LS7535_LS7535FT.pdf - Juillet 2010.
Site : http://www.lsicsi.com/
[1] : [DIV126] T. LEQUEU, Librairie des fichiers PDF de composants, décembre 2025.

Lien : private/Revue828-p078.jpg - image, 627 Ko.
Lien : private/Revue828-p079.jpg - image, 215 Ko.
Lien : NTD4815N.pdf - 8 pages, 294 Ko, NTD4815N, Power MOSFET, 30 V, 35 A, Single N--Channel, DPAK/IPAK.
[1] : [DIV126] T. LEQUEU, Librairie des fichiers PDF de composants, décembre 2025.
[2] : [REVUE770] ELEKTOR, revue N° 373/374, juillet/août 2009.
Lien : private/Revue770-p040.jpg - image, 671 Ko.
Lien : private/Revue770-p041.jpg - image, 894 Ko.

Lien : private/Revue828-p083.jpg - image, 562 Ko.
[1] : [DIV456] T. LEQUEU, Projet 06 - PISTE-CU / Etude de la capacité en courant des pistes de cuivre, IUT4, Janvier 2005.

Lien : private/Revue828-p086.jpg - image, 612 Ko.
Lien : DS18S20.pdf - 23 pages, 184 Ko, DS18S20, High-Precision 1-Wire Digital Thermometer.
[1] : [DIV126] T. LEQUEU, Librairie des fichiers PDF de composants, décembre 2025.

Lien : private/Revue828-p089.jpg - image, 625 Ko.
Lien : private/Revue828-p090.jpg - image, 627 Ko.
Lien : BOSS-series-350.pdf - pages, 515 Ko, 2 module enclosure for M36 DIN-RAIL série 350.
Infos : Farnell Code Cde : 117-1693
Site : http://fr.farnell.com/
[1] : [DIV126] T. LEQUEU, Librairie des fichiers PDF de composants, décembre 2025.
Lien : private/Revue828-p090.jpg - image, 627 Ko.
[1] : [DIV126] T. LEQUEU, Librairie des fichiers PDF de composants, décembre 2025.

Lien : private/Revue828-p090.jpg - image, 627 Ko.
Lien : private/Revue828-p091.jpg - image, 567 Ko.
Lien : IRF4905.pdf - 8 pages, 663 Ko, HEXFET Power MOSFET, -55V, -74A, RDSON = 0.02 ohms.
Lien : CD40106.pdf - 6 pages, 69 Ko, CD40106BC, Hex Schmitt Trigger .
[1] : [DIV126] T. LEQUEU, Librairie des fichiers PDF de composants, décembre 2025.

Lien : private/Revue828-p095.jpg - image, 604 Ko.
[1] : [DIV126] T. LEQUEU, Librairie des fichiers PDF de composants, décembre 2025.

Lien : private/Revue828-p097.jpg - image, 673 Ko.
[1] : http://www.elektor.fr/100014/
[2] : http://www.elektor.fr/100013/
[3] : http://www.elektor.fr/100358/
[4] : http://tinkerlog.com/2009/06/25/64-synchronizing-fireflies/
[5] : http://tinkerlog.com/howto/synchronizing-firefly-how-to/
[1] : [REVUE830] ELEKTOR, revue N° 382, avril 2010.
[2] : [DIV126] T. LEQUEU, Librairie des fichiers PDF de composants, décembre 2025.

Lien : private/Revue828-p099.jpg - image, 638 Ko.
[1] : [DIV126] T. LEQUEU, Librairie des fichiers PDF de composants, décembre 2025.

Lien : private/Revue828-p102.jpg - image, 593 Ko.
[1] : [DIV126] T. LEQUEU, Librairie des fichiers PDF de composants, décembre 2025.
Lien : private/Revue828-p103.jpg - image, 630 Ko.
Site : http://www.elektor.fr/060297
Lien : MMA7260QT.pdf - 12 pages, 195 Ko, MMA7260QT, Freescale Semiconductor, ±1.5g - 6g Three Axis Low-g Micromachined Accelerometer.
Lien : http://www.freescale.com/files/sensors/doc/data_sheet/MMA7260QT.pdf - Juillet 2010.
Site : http://www.elektor.fr/070829
Lien : AN3461.pdf - 8 pages, 353 Ko, Application Note AN3461, Rev 2, 06/2007, Tilt Sensing Using Linear Accelerometers, Kimberly Tuck, Accelerometer Systems and Applications Engineering, Tempe, AZ.
Lien : http://cache.freescale.com/files/sensors/doc/app_note/AN3461.pdf
Lien : FT232R.pdf - 43 pages, 752 Ko, The FT232R is a USB to serial UART interface with advanced features.
[1] : [DIV126] T. LEQUEU, Librairie des fichiers PDF de composants, décembre 2025.


Lien : private/Revue828-p104.jpg - image, 603 Ko.
Lien : private/Revue828-p105.jpg - image, 530 Ko.
Lien : PR4401.pdf - 12 pages, 277 Ko, 0.9V Boost Driver for White LEDs PR4401 PR4402 Requires Only One External Component.
Lien : 2N7000.pdf - 10 pages, 215 Ko, 2N7000, 2N7002, NDF7000A, NDS7002A, N-Channel Enhancement Mode Field Effect Transistor.
[1] : [DIV126] T. LEQUEU, Librairie des fichiers PDF de composants, décembre 2025.

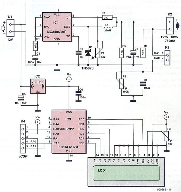
Infos : Vu que tout PC dispose d’une alimentation puissante et bien régulée qui fournie entre autres une tension de 12 V, pourquoi ne pas l’exploiter pour réaliser une alimentation variable de 1,25 à 10 V ?
Infos : Attention : il manque une connexion dans le schéma électrique sur la page 105. La jonction C2/R1 devrait être reliée à VCC (+12 V).
Lien : private/Revue828-p105.jpg - image, 309 Ko.
Site : http://www.elektor.fr/090863
Lien : MC34063A.pdf - 15 pages, 1422 Ko, MC34063A, MC33063A, SC34063A, SC33063A, NCV33063A, 1.5 A, Step-Up/Down/Inverting Switching Regulators.
Lien : AN920m.pdf - 40 pages, 2790 Ko, AN920/D, Theory and Applications of the MC34063 and uA78S4O Switching Regulator Control Circuits, rev 2.
[1] : [DIV126] T. LEQUEU, Librairie des fichiers PDF de composants, décembre 2025.

Lien : private/Revue828-p108.jpg - image, 569 Ko.
Lien : private/Revue828-p109.jpg - image, 583 Ko.
[1] : [DIV126] T. LEQUEU, Librairie des fichiers PDF de composants, décembre 2025.

Lien : private/Revue828-p109.jpg - image, 583 Ko.
Lien : LM3410.pdf - 32 pages, 749 Ko, LM3410, LM3410Q, May 18, 2009, 525kHz/1.6MHz, Constant Current Boost and SEPIC LED Driver with Internal Compensation.
[1] : [DIV126] T. LEQUEU, Librairie des fichiers PDF de composants, décembre 2025.
Mise à jour le lundi 26 janvier 2026 à 18 h 42 - E-mail : thierry.lequeu@gmail.com
Cette page a été produite par le programme TXT2HTM.EXE, version 10.7.3 du 27 décembre 2018.
Les informations contenues dans cette page sont à usage strict de Thierry LEQUEU et ne doivent pas être utilisées ou copiées par un tiers.
Powered by www.google.fr, www.e-kart.fr, l'atelier d'Aurélie - Coiffure mixte et barbier, Maelline Travel Planner - Organisatrices de voyage sur mesure, La Boutique Kit Elec Shop and www.lequeu.fr.