Article : [PAP165]
Titre : P. STAELENS, S. van ROOIJ, Gradateur piloté par µC à commande par touches, ELEKTOR, revue N° 271, janvier 2001, pp. 42-44.
Cité dans :[REVUE183] ELEKTOR, revue N° 271, janvier 2001. Cité dans : [DIV014] Liste des articles et des revues ELEKTOR, août 2023. Cité dans : [DIV244] T. LEQUEU, Projet 09 - MIGRAD / Gradateur piloté par micro-contrôleur (Elektor 01/2001), documentation technique de la maquette, septembre 2001.Auteur : P. Staelens
Source : ELEKTOR, revue N° 271.
Date : janvier 2001
Pages : 42 - 44
Site : http://www.elektor.fr
Stockage : Thierry LEQUEU
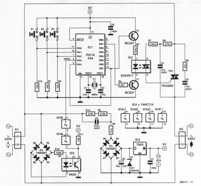
Info : circuit N° 000117-1, software N° 000117-11, PIC N° 000117-41.
Info : microcontrôleur PIC16F84, opto-triac S202S11, TRIAC TIC226D
Info : Microprocessor Controlled Light Dimmer
Lien : private/PAP165.pdf - 3 pages, 614 Ko.
Résumé :
Au coeur du gradateur rustique objet de cet article réside un microcontrôleur PIC. La commande de ce gradateur capable de supporter un courant maximum de 6 A se fait par le biais de 3 touches seulement, garantie d'un confort d'utilisation optimum.
Info : circuit N° 000117
Lien : Elektor/Dimmer.pdf - typon
Lien : Elektor/Dimmer.exe - fichiers ZIP
Lien : Elektor/pl-271.htm - 9 Ko, liste des composants.


COMPONENTS LIST | ![]() |
Trarif gradateur piloté par µC | ![]() |
Mise à jour le lundi 26 janvier 2026 à 18 h 40 - E-mail : thierry.lequeu@gmail.com
Cette page a été produite par le programme TXT2HTM.EXE, version 10.7.3 du 27 décembre 2018.
| Copyright 2026 : | ![]() |
Les informations contenues dans cette page sont à usage strict de Thierry LEQUEU et ne doivent pas être utilisées ou copiées par un tiers.
Powered by www.google.fr, www.e-kart.fr, l'atelier d'Aurélie - Coiffure mixte et barbier, Maelline Travel Planner - Organisatrices de voyage sur mesure, La Boutique Kit Elec Shop and www.lequeu.fr.