B. BOUCHEZ, "Éclairage de scène automatisé et commande DMX", Publitronic, Elektor, 232 pages.
Copyright - [Précédente] [Première page] [Suivante] - Home
Livre : [LIVRE302]
Titre : B. BOUCHEZ, Éclairage de scène automatisé et commande DMX, Publitronic, Elektor, 232 pages.
Cité dans : [DIV014] Liste des articles et des revues ELEKTOR, août 2023.
Cité dans :[DATA247]
Auteur : Benoît Bouchez
Editeur : Publitronic - Elektor
Site : http://www.lavoisier.fr
Lien : http://www.lavoisier.fr/livre/notice.asp?ouvrage=2215246&pos=12
Date : mai 21002
Langue : FRANÇAIS
Pages : 1 - 232
Format : 17 x 23,5 cm
Lien : CDE-DMX.pdf - 84 Ko, 4 pages, table des matières du livre.
Forum : Éclairage de scène automatisé et commande DMX http://fr.groups.yahoo.com/groups/ElektorDMX
Vers : Sommaires
Vers : Présentation
Vers : Schéma de la page 183
Vers : Bibliographie

Pour mettre en lumière un spectacle, il a longtemps suffi de connaître les
possibilités artistiques des projecteurs fixes, et quelques notions
d'électricité. Avec les techniques actuelles, ces bases sont cruellement
insuffisantes.
Nous disposons actuellement de sources lumineuses puissantes et pratiques pour
l'éclairage de scène, à condition de savoir s'en servir ! Depuis le théâtre
antique, il a fallu des siècles pour passer de la flamme de torche non contrôlée
au brûleur à gaz commandé à distance par un robinet ; et vingt ans seulement
pour passer du simple projecteur gradué au projecteur automatisé multifonctions
piloté par liaison informatique. Voici enfin un livre en français qui parle de
luminaires automatisés !
L'ouvrage Éclairage de scène automatique et commande DMX est écrit par un
spécialiste français de l'automatisation de l'éclairage de scène. Passionné à la
fois de théâtre, de musique, de scène ET d'électronique, Benoît Bouchez consacre
plus de la moitié de son ouvrage inédit à la commande à distance, à
l'automatisation, à l'utilisation des protocoles modernes tels DMX512 ou MIDI.
Il en donne les élements théoriques indispensables, puis les met aussitôt en
pratique, à la portée de lecteurs désireux de comprendre et d'agir sur leurs
installations.
Conformément à la tradition des publications Publitronic/Elektor, les schémas
des circuits électroniques sont dévoilés dans le livre, et dûment expliqués, les
dessins des circuits imprimés peuvent être reproduits aisément, et sur le CD-ROM
offert, le lecteur trouvera des programmes avec lesquels il pourra lui-même
commander, tester, évaluer.
Le métier ne s'apprend qu'au contact de spécialistes, sur le terrain.
L'expérience et le doigté ne se gravent pas sur cédérom et ne s'impriment pas
sur papier, mais ce livre contribuera à développer les talents d'éclairagiste de
ceux qui le liront, amateurs ou professionnels. Il sera leur compagnon sur le
chemin plein d'imprévus des innombrables possibilités offertes par les
techniques numériques de commande de lumière.
SOMMAIRE ........................................................................ 1
PREFACE ............................................................................ 5
1 Quelques rappels sur la lumière ........................................... 7
1.1 Qu’est-ce que la lumière ? ......................................................... 7
1.2 Le spectre lumineux ................................................................... 8
1.3 Notions de couleur, de saturation et de flux lumineux ............ 10
1.4 Couleurs additives et couleurs soustractives ............................ 11
1.5 Concentration du faisceau lumineux ........................................ 13
2 Les sources lumineuses à incandescence ........................... 15
3 Les lampes à décharge ....................................................... 19
3.1 L’allumage ............................................................................... 21
3.2 La montée en puissance ........................................................... 22
3.3 L’extinction et le rallumage à chaud ........................................ 23
3.4 Le problème de la gradation ..................................................... 24
3.5 Les autres défauts des lampes HMI et HID ............................. 25
4 Les autres sources de lumière ............................................ 27
4.1 Tubes fluorescents .................................................................... 27
4.2 Tubes à éclairs .......................................................................... 29
4.3 Lasers ....................................................................................... 30
5 Les luminaires fixes ........................................................... 35
5.1 Les projecteurs d’ambiance ..................................................... 35
5.2 Les propriétés des faisceaux lumineux .................................... 36.2
5.3 Les projecteurs PAR .................................................................40
5.4 Les projecteurs à face ouverte (ou BEAMLIGHT) ..................44
5.5 Les projecteurs plan-convexe (ou projecteurs PC) ...................47
5.6 Les projecteurs Fresnel .............................................................50
5.7 Les projecteurs de découpe .......................................................52
5.8 Les effets sur les luminaires fixes .............................................56
5.8.1 Couleur ......................................................................... 56
5.8.2 Gobos............................................................................ 59
6 Les projecteurs automatisés ............................................... 63
6.1 Notion de canal de commande ..................................................63
6.2 Changeurs de couleur ................................................................64
6.3 Projecteurs d’effets ...................................................................67
6.4 Rollers .......................................................................................69
6.5 Scanners ....................................................................................71
6.6 Lyres ou projecteurs à tête mobile ............................................75
6.7 Stroboscopes .............................................................................77
6.8 Lasers ........................................................................................79
7 Les effets spéciaux ............................................................. 83
7.1 Générateurs de fumée ...............................................................83
7.2 Machines à brouillard ...............................................................86
7.3 Machines à mousse ...................................................................87
7.4 Effets pyrotechniques ...............................................................88
8 La commande à distance .................................................... 93
8.1 La commande à distance des luminaires fixes ..........................93
8.2 La commande à distance des luminaires automatisés .............101
8.3 La commande en tension ou en courant ..................................101
8.4 Le multiplexage analogique ....................................................103
8.5 De l’analogique au numérique : les liaisons série ...................108
8.6 Le standard DMX512 .............................................................109
8.7 Le MIDI appliqué à l’éclairage : MIDI SHOW CONTROL ..121
8.8 Le réseau ETHERNET ...........................................................125.SOMMAIRE 3
9 Les dispositifs de commande à distance .......................... 127
9.1 Les notions spécifiques de commande d’éclairage ................ 127
9.2 Les contrôleurs indépendants ................................................. 133
9.3 Les consoles pour applications scéniques .............................. 135
9.4 Les consoles pour applications spécifiques ........................... 137
9.5 Les logiciels et interfaces sur PC ........................................... 141
9.6 Coûts des différentes options ................................................. 145
10 Une interface DMX pour port parallèle ........................... 147
10.1 Pourquoi cette interface ? ....................................................... 147
10.2 La construction ....................................................................... 151
10.3 La mise en boîtier ................................................................... 155
10.4 Do you speak CENTRONICS... ............................................. 156
11 Un démultiplexeur DMX à sorties analogiques et relais . 161
11.1 Un démultiplexeur, qu’est-ce donc ? ..................................... 161
11.2 Le schéma .............................................................................. 162
11.3 À vos fers à souder ................................................................. 165
11.4 Mise en boîte .......................................................................... 170
11.5 Utilisation du démultiplexeur ................................................. 171
12 L’extension à relais pour le démultiplexeur .................... 173
12.1 Le schéma .............................................................................. 174
12.2 La construction ....................................................................... 174
12.3 On branche... .......................................................................... 178
12.4 ... et on utilise ......................................................................... 179
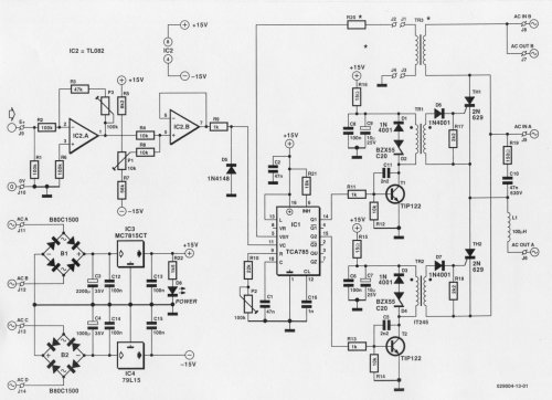
13 Automatisez vos luminaires ............................................. 181
13.1 Un gradateur professionnel .................................................... 181
13.1.1 Le schéma .................................................................. 182
13.1.2 La construction .......................................................... 187
13.1.3 Réglage et installation................................................ 193
13.2 Un contrôleur de moteur à courant continu ........................... 197
13.2.1 Le schéma .................................................................. 197.4
13.2.2 La construction ........................................................... 201
13.3 Une commande de servomoteur .............................................203
Le mot de la fin... ............................................................. 213
Appendices ...................................................................... 215
Glossaire .................................................................................215
Platines ....................................................................................219
Index ................................................................................. 229

[1] : Pratique de l'éclairage scénique, Francis Reid, Eyrolles, Paris, 2000, Livre de référence, en français, qui n'aborde malheureusement pas la commande automatisée. On y trouvera néanmoins des informations utiles sur le matériel classique, notamment les luminaires fixes.
[2] : Interface MIDI/DMX, mensuel ELEKTOR, No 280, octobre 2001.
[3] : Testeur DMX portable, mensuel ELEKTOR, No 287, mai 2002.
[4] : Norme DMX512/1990, USITT, 6443 Ridings Roads, Syracuse, NY13206-1111, USA
[5] : MIDI Show Control (MSC) 1.0, Recommended Practice RP-OO2, International MIDI Association, 5316 West 57St, Los Angeles, CA90056, USA
Datasheet AT90S8515 : http://www.atmel.com
Datasheet DAC8800 : http://www.burr-brown.com
Datasheet TCA785 : http://www.infineon.com
[1] : [PAP158] -------
[2] : [REVUE374] ELEKTOR, revue N° 280, octobre 2001.
[3] : [REVUE370] ELEKTOR, revue N° 287, mai 2002.
[4] : [PAP158] -------
[5] : [PAP158] -------
Lien : TCA785.pdf - 16 pages, 455 Ko, TCA 785, Phase Control IC TCA 785, Bipolar IC.
[1] : [DIV126] T. LEQUEU, Librairie des fichiers PDF de composants, décembre 2025.
Mise à jour le lundi 26 janvier 2026 à 18 h 38 - E-mail : thierry.lequeu@gmail.com
Cette page a été produite par le programme TXT2HTM.EXE, version 10.7.3 du 27 décembre 2018.
Les informations contenues dans cette page sont à usage strict de Thierry LEQUEU et ne doivent pas être utilisées ou copiées par un tiers.
Powered by www.google.fr, www.e-kart.fr, l'atelier d'Aurélie - Coiffure mixte et barbier, Maelline Travel Planner - Organisatrices de voyage sur mesure, La Boutique Kit Elec Shop and www.lequeu.fr.